-
防腐稱重模塊BM-8-404
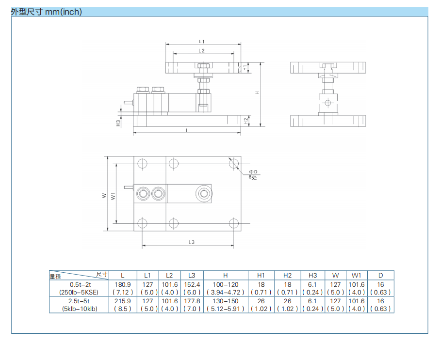
防腐稱重模塊BM-8-404,不銹鋼安裝模塊,配套傳感器:B8D、BM8D。BM-8-404結構緊湊、安裝方便;安裝高度可調節;適用于大靜態及小動態載荷;可適用于腐蝕性場合及惡劣環境。
全國服務熱線:021-57676453
1.防腐稱重模塊BM-8-404,不銹鋼安裝模塊,配套傳感器:B8D、BM8D;
2.BM-8-404結構緊湊、安裝方便;
3.安裝高度可調節;
4.適用于大靜態及小動態載荷;
5.可適用于腐蝕性場合及惡劣環境。
采購:防腐稱重模塊BM-8-404
- *聯系人:
- *手機:
- 公司名稱:
- 郵箱:
- *采購意向:
-
*驗證碼:


立即咨詢
